オーソドックスなデザインのアール屋根。
幅広いテイストの住宅外観になじみます。
コンクリート床でマルチに使える土間納まり。
【セット内容】
正面:引戸
側面:引戸+FIX(※4尺・5尺の場合は高窓)
床:コンクリート土間施工の費用は別途お見積り
独立用部材セット
※竿掛けは別途オプション品です
※開口部(正面・側面)のユニットの変更、床仕上げの変更およびオプションの追加の費用はお気軽にお問い合わせください!
※画像は壁付け仕様のイメージ画像
大阪府(吹田/豊中)・三重県(四日市/桑名/鈴鹿/津)近郊の
カーポート/フェンス/物置/エクステリア工事専門店
スタッフのオススメポイント
雨の日や花粉の時期などの洗濯物干し場として大活躍するテラス囲い。
独立施工対応の仕様が新登場したソラリアテラス囲いです。

オーソドックスなデザインのアール屋根。
幅広いテイストの住宅外観になじみます。
コンクリート床でマルチに使える土間納まり。
【セット内容】
正面:引戸
側面:引戸+FIX(※4尺・5尺の場合は高窓)
床:コンクリート土間施工の費用は別途お見積り
独立用部材セット
※竿掛けは別途オプション品です
※開口部(正面・側面)のユニットの変更、床仕上げの変更およびオプションの追加の費用はお気軽にお問い合わせください!
※画像は壁付け仕様のイメージ画像

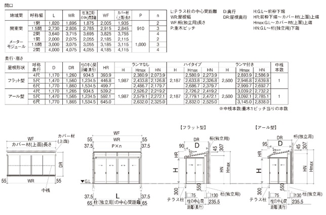
独立施工専用の柱を仕様することで、住宅の外壁に固定せず、自立した新しい構造のテラス囲い。

住宅側に建てこんだ独立用の柱にテラス囲いを取り付けます。
独立用柱と外壁の間は専用のカバー材でふさぎます。
上部、側面部のカバー材とも連結されていないため住宅に負担をかけません。

独立用柱を住宅外壁よりも前方に設置し、住宅基礎との干渉回避に配慮しました。

上部のカバー材は二重ブロックのゴム材と、見付の大きい小口キャップを使用
側面部のカバー材はゴム材とカバー材の返し形状による二重構造
構造に工夫を施し、テラス囲い内部への雨水侵入リスクを低減しています。

幅広いタイプバリエーションと豊富なオプション、異形地にも対応できる特殊納まりをラインナップしたソラリアテラス囲い。
様々な用途、様々なニーズに応え、快適なくつろぎ空間を実現します。
〇床納まり
ルーム内に樹脂製デッキまたは人工木デッキ材の床がついているタイプ
〇デッキ納まり
ウッドデッキの上にテラス囲いが設置されたような納まり。ルームの外側にもウッドデッキが広がります。
〇土間納まり
土間コンクリートやタイル貼りの床の上にテラス囲いが来る納まり。基本的に床高さはお庭の地面の高さになります。
嵩上げして高さを出した高土間(特殊納まり)もあります。
床納まり

デッキ納まり

土間納まり

スタイリッシュなフラット型
オーソドックスなアール型
の2タイプをご用意しています。
フラット型

アール型


耐候性の高い樹脂製デッキ材
木粉とプラスチックを主原料とした再生木のリウッド
の2タイプの床材をラインナップ。
室内の床とのコーディネートやテラス囲い本体とのカラーコーディネートに合わせてお選びいただけます
※本ページは土間納まりです。床納まり・デッキ納まり仕様の場合の特徴です。
お庭への出入りや、テラス囲いの使い方など、ニーズに合わせて正面と側面の開口部のユニットを変更できます。
納まりやサイズによって選択できる開口ユニットが異なりますので、お気軽にお問い合わせください





ソラリアテラス囲いには、竿掛けやカーテンレール、ロールスクリーンといった定番のオプションがそろっているのはもちろん、
他にはないソラリアならではのオプションも豊富にご用意しています。
オプション追加ご希望の場合はお気軽にお問い合わせください!
クリアネット網戸

化粧パネル

画像は折りたたみ戸用
エアールーバー網戸

下枠フラットサッシ対応ユニット

ブラウン

カームブラック

プラチナステン

ホワイト

アースブルー

スモークブラウン

トーメイマット

アースブルー(熱線遮断)
.jpg)
クリアマット(熱線遮断)
.jpg)

